
RMU

Togami Electric Mfg. manufacturers standard electromagnetic contactor/starters, economical electromagnetic contactor/starters, DC-operated electromagnetic contactor/starters, and other types of electromagnetic contactor/starters.

Our extensive lineup includes PCB relays used for inrush current prevention circuits and pre-charge circuits.

These are units for controlling the switching of equipment, including motors and pumps. They feature a compact design for cost-effectiveness and ease of use, allowing flexible custom designs combining the functions required to meet customer needs.

We offer an extensive lineup of different distribution boards, including high-voltage distribution boards. Flexible custom designs are possible by combining those functions required to meet customer needs.

We offer a lineup of explosion-proof control equipment for use in explosion-proof areas, corrosion-resistant control equipment ideal for use in environments where corrosive gases are present.

This is ideal for checking lines following faults or during maintenance before electrical equipment expansion or modification work. It allows live power lines to be checked by a single operator.

Togami Electric Mfg. Co., Ltd. designs, manufactures, and supplies Automatic Circuit Reclosers (Fault Clear) for power distribution lines.

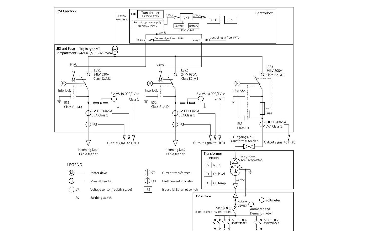
We manufacture Ring Main Units (RMU) to connect, control, and protect different sections of a ring network.
『Make the society,
the Earth,
and the future prosperous!』

RMU

CUS
RMU is a SF6 gas insulated metal-enclosed switchgear that is used in 24kV, 3 phase 3 wire, 50Hz underground solidly grounded distribution systems. RMU has 2-load break switches and a 1- fuse combination switch. This equipment also works as an Automatic Transfer Switch (ATS).
| Rated voltage [kV] | 24 | |
|---|---|---|
| Rated frequency [Hz] | 50 | |
| Number of circuit | 2-incoming feeder [LBS] 1-outging feeder[LBS w/ HRC fuse] |
|
| Rated current [A] | 630 A [2-in],200 A [1-out] | |
| BIL(Basic Impulse Level) [kV] | 125 | |
| Rated power frequency withstand voltage [kV] | 50(Dry) | |
| Mechanical endurance [operations] | LBS1,2,3 | 1,000(M1) |
| ES1,2 | 1,000(M0) | |
| Electrical endurance | LBS1,2 | E2 |
| ES1,2 | E1 | |
| Rated short time withstand current [kA/1sec] | LBS1,2 | 16 |
| ES1,2 | ||
| Rated short circuit making current [kApeak] | LBS1,2 | 40 |
| ES1,2 | ||
| Rated SF6 gas pressure [kPa・G at 20℃] | 50 | |
| Ambient temperature [℃] | -5 to +40 | |
| Total weight [kg] | 680 | |
CUS consists of RMU, distribution transformer, and low-voltage equipment. This is an all in one package as minimal distribution system.
Our CUS is certified by a STL laboratory. (IEC62271-202 6.102) The test is carried out 4 patterns [IAC-A & B with 2 ignition points each]
| Test current | 16 kA r.m.s |
|---|---|
| Test duration | 1 s |
| Internal arc classification | IAC-A & B |
| Arc ignition point | Point A : MV cable box in RMU Point B : inside RMU |
Single line diagram of CUS ( RMU with plug in voltage transformer)