
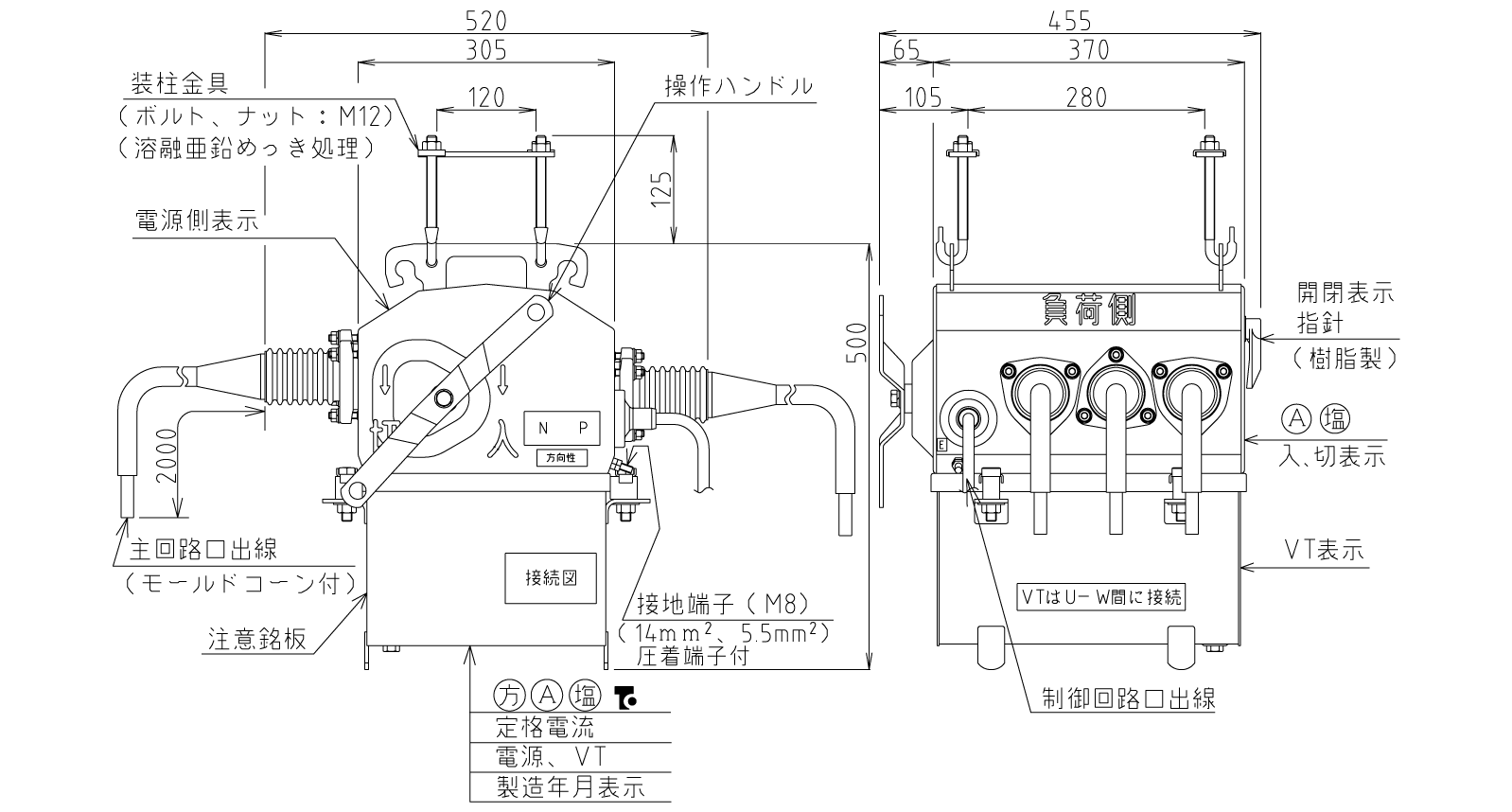
KLT-P(S)A-(D2)N11T

柱上用SOG開閉器は、通称PAS(Pole Air Switch)と言われ、自家用高圧受電設備から電力会社配電線への波及事故を防止するために設置されています。地中線用SOG開閉器は、設置場所に電柱が建てられない、美観上電柱を立てたくない箇所、地中化区域などへ設置されています。

SOG制御装置は、短絡や地絡の発生を検出することで波及事故を防ぎ、電力会社の配電線への影響を最小限に抑えます。SOGとは「Storage Over Current Ground」の略で、SOは「短絡・過電流」、Gは「地絡」を表します。

高圧開閉器は、工場構内の区分開閉器として設置されています。戸上電機は用途に応じて豊富にラインナップしております。高圧遮断器は、電気事故発生時に、電気回路を遮断します。

突入電流防止回路や予備充電回路に使用するBRリレーや、標準形電磁開閉器、経済形電磁開閉器、直流操作形電磁開閉器をはじめとした電磁開閉器など、豊富にラインナップしております。

モータやポンプなど機器類の開閉を制御するユニットです。経済性と使いやすさ、省スペース化などコンパクトな設計が特長であり、お客様のニーズに合わせて必要な機能を組み合わせるなど、柔軟な個別の設計が可能です。

高圧受配電盤をはじめとした各種配電盤を豊富にラインナップしております。お客様のニーズに合わせて必要な機能を組み合わせるなど、柔軟な個別設計が可能です。

爆発性雰囲気の着火源とならないように、防爆エリアに応じた防爆形制御機器をラインナップしております。腐食性ガス雰囲気中での使用に適した防食形制御機器をラインナップしております。

発電所・プラント設備・鉄道などの重要設備におけるケーブル探査、漏電点探査、配線チェックなどの探査・測定機器や、地絡継電器およびSOG制御装置の動作試験が可能な位相特性試験器を取り扱っております。

アークフォルトによる火災を未然に防ぐアークキャッチャー、I-Vカーブを相対比較し、異常ストリングを検知できるストリングトレーサ、故障モジュールを特定するセルラインチェッカなど、PVドクターシリーズとしてラインナップしております。

新しい技術を融合させた最適な商品・サービスの開発により、社会課題を解決します。保安レベルの持続的向上を実現するために、AI やIoT などを活用した「スマート保安」を提案します。

KLT-P(S)A-(D2)N11T
柱上用SOG開閉器は、通称PAS(Pole Air Switch)と言われており、自家用高圧受電設備から電力会社配電線への波及事故を防止するために設置されます。このSOG開閉器は、万一事故が発生した場合、その事故による影響を最小限に防ぐためのものです。当社では、無方向性・方向性、VT内蔵・LA内蔵・VT/LA内蔵、200A、300A、400A、600Aなど、用途に合わせて豊富なラインナップを取り揃えております。本商品には、開閉器の負荷側にVT(制御電源用変圧器)を内蔵していますので、設置場所が電源より離れている所や、既存の設備で新たに制御電源確保のための工事が困難な場所などに最適です。
| 形式 | 定格電流 | 標準組合せSOG制御装置 (屋外用プラボックス形) |
|||||
| 200A | 300A | 400A | |||||
| 一般地区 | 方向性 | 鋼板製 | KLT-PA-D2N11T | ● | - | - | LTR-R-DOT |
| ステンレス製 | KLT-PSA-D2N11T | ● | - | - | |||
| 無方向性 | 鋼板製 | KLT-PA-N11T | ● | - | - | LTR-R-OT | |
| ステンレス製 | KLT-PSA-N11T | ● | - | - | |||
| 北陸地区 | 方向性 | ステンレス製 | KLT-PSA-PD2N11T | ● | ● | ● | LTR-R-DOTP |
| 無方向性 | ステンレス製 | KLT-PSA-PN11T | ● | - | - | LTR-R-OTP | |
| 省庁 | 方向性 | 鋼板製 | KLT-PA-D2N10T | ● | ● | ● | LTR-R-DOT |
| ステンレス製 | KLT-PSA-D2N10T | ● | ● | ● | |||
| 無方向性 | 鋼板製 | KLT-PA-N10T | ● | ● | ● | LTR-R-OT | |
| ステンレス製 | KLT-PSA-N10T | ● | ● | ● | |||
| 操作方式 | 手動操作式 | |||||
|---|---|---|---|---|---|---|
| 定格電圧 | 7.2kV | |||||
| 定格周波数 | 50/60Hz | |||||
| 定格耐電圧 | 60kV | |||||
| 定格電流 | 200A | 300A | 400A | |||
| 定格短時間耐電流(1秒間) | 8kA | 12.5kA | ||||
| 定格短絡投入電流 | 20kA-3回 | 31.5kA-3回 | ||||
| 適用系統短絡容量 | 100MVA | 160MVA | ||||
| 定格過負荷遮断電流 | 400A-3回 | 700A-3回 | ||||
| ロック電流値 | 350A±50A | 600A±100A | ||||
| 開閉性能 | 負荷電流 | 200A-200回 | 300A-200回 | 400A-200回 | ||
| 励磁電流 | 10A-1000回 | 15A-1000回 | 20A-1000回 | |||
| 充電電流 | 10A-1000回 | |||||
| コンデンサ電流 | 30A-200回 | |||||
| 無電圧連続 | 1000回 | |||||
| VT | 定格電圧 | 6600/105V | ||||
| 定格周波数 | 50/60Hz | |||||
| 定格負担 | 25VA | |||||
| 定格耐電圧 | 22/60kV | |||||
| 耐塩じん汚損性能 | 0.35mg/cm2(耐重塩じん用) | |||||
| 主回路口出線 ()内は導体外径 |
一般地区・北陸地区仕様…耐トラッキング性EPゴム絶縁電線 省庁仕様…耐トラッキング性EPゴムモールドコーン付絶縁電線 |
|||||
| 80mm2 (12.0mm) |
100mm2 (13.0mm) |
125mm2 (14.7mm) |
||||
| 制御回路口出線 | 方向性 | 11心-0.75mm2(Z1・Z2・Y1 3心シールド)、仕上り外径:約18mm | ||||
| 無方向性 | 9心-0.75mm2(Z1・Z2 2心シールド)、仕上り外径:約18mm | |||||
| 総質量 | 一般地区 | 方向性 | 鋼板製 | 49kg | - | - |
| ステンレス製 | 47kg | - | - | |||
| 無方向性 | 鋼板製 | 48kg | - | - | ||
| ステンレス製 | 46kg | - | - | |||
| 北陸地区 | 方向性 | ステンレス製 | 47kg | 51kg | 55kg | |
| 無方向性 | ステンレス製 | 46kg | - | - | ||
| 省庁 | 方向性 | 鋼板製 | 58kg | 62kg | 66kg | |
| ステンレス製 | 56kg | 60kg | 64kg | |||
| 無方向性 | 鋼板製 | 57kg | 61kg | 65kg | ||
| ステンレス製 | 55kg | 59kg | 63kg | |||
| 規格 | 一般地区 | JIS C 4607(引外し形高圧交流負荷開閉器)準拠 | ||||
| 北陸地区 | 電気安全北陸委員会推奨仕様(認定No.TA48,TA28)適合 JIS C 4607(引外し形高圧交流負荷開閉器)準拠 |
|||||


※Vc端子は緑色ですがアース接続箇所ではありません。絶対にアース線を接続しないで下さい。(VTが焼損します。)
開閉器に内蔵されているVTはSOG制御装置の制御電源専用ですので、試験用電源などには使用できません。別途試験用電源をご準備下さい。
設置後に開閉器、負荷側ケーブルを兼ねて試験を実施される場合には次のように行って下さい。
標準形、LA内蔵形、VT・LA内蔵形の機器概要はこちら
『もらい事故』とは、他の高圧需要家様の地絡事故にもかかわらず自社の開閉器も同時にトリップし、停電してしまうことです。重要機器が数多く使用されている今日、一時の停電も許されません。自己防衛のためにも方向性のご使用をお奨めします。
| 無方向性で0.2A設定の時の最大使用可能ケーブル長さ(m) | ||
|---|---|---|
地絡事故は即時遮断、ロック電流値以上の過電流事故は開閉器をいったんロックし、電源側の遮断器が動作後、無電圧の状態で自動的に開閉器を開放する動作をいいます。事故内容別にトリップ動作をまとめると、次のようになります。
| 事故項目 | トリップ動作 | |
|---|---|---|
| 1 | 地絡事故の場合 | すぐにトリップ |
| 2 | 過電流(短絡)事故の場合 | 電源側遮断器が動作して停電となればトリップ |
| 3 | 地絡と過電流(短絡)事故が重なった場合 | 同上 |
■(一社)日本電機工業会資料より引用
この更新時期は、機能や性能に対する製造者の保証値ではなく、通常の環境のもとで通常の保守点検を行って使用した場合に、機器構成材の老朽化などにより、新品と交換した方が経済性を含めて一般的に有利と考えら れる時期を示しています。現代の高度情報化社会において、予期せぬ事故による社会的、経済的な影響は計り知れません。自社の電気設備の保護、また他社への波及事故を防止するためにも、早めの取り替えをお奨めし ます。
◎高圧交流負荷開閉器
屋外用 ≫ 使用開始後10年または負荷電流開閉回数200回
屋内用 ≫ 使用開始後15年または負荷電流開閉回数200回
◎GR付開閉器の制御装置
使用開始後10年